
支持热插拔的I2C和SMBus总线缓冲器
支持I2C总线标准模式和快速模式,双向数据传输
支持所有SDA和SCL线路上的1V预充电,防止热插拔损坏
支持掉电后I2C管脚高阻态
支持时钟拉伸、仲裁和同步
工作电压: 2.3~5.5V
工作温度:-40℃~85℃
封装:MSOP8
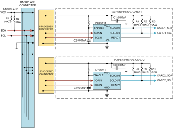
INTL9511是一款热插拔I2C总线缓冲器,支持将I/O卡插入带电背板中,而不会损坏数据和破坏时钟线路。控制电路可防止背板侧I2C线路(输入)直接与板卡侧 I2C线路(输出)相连接(直到背板上出现停止命令或总线空闲情况为止),而不会在板卡上发生总线帧错误的情况。当I2C总线空闲时,可通过将EN引脚设置为低电平将INTL9511置于关断模式,从而降低功耗。当EN被拉高时,INTL9511将恢复正常运行。

应用框图
服务器
存储设备
交换机
路由器
基站
工业自动化设备
Copyright © 2019-2025 成都九游JIUYOU微电子科技股份有限公司 版权所有 备案编号: 蜀ICP备2022009451号 川公网安备 51019002004893号